UNCLASSIFIED
28 January 2026
Sam
[FYI request #33376 email]
Tēnā koe Sam
Thank you for your request for information under the Official Information Act 1982 (OIA)
dated 26 December 2025 in which you requested:
“Please provide the test papers for the course RESE 411 for the years 2022 to 2025.”
Please find attached the requested information.
If you have any questions about this decision, you can contact us by email at:
[VUW request email]. You have the right to seek an investigation and review by the
Ombudsman of this decision by contacting
www.ombudsman.parliament.nz or freephone
0800 802 602.
Nāku noa, nā
Kayana Shaw
Senior Advisor, Official Information and Privacy
Legal Services
Te Herenga Waka—Victoria University of Wellington
UNCLASSIFIED
RESE411 Test
Time Allowed: Two hours
Permitted materials:
Only silent non-programmable calculators or silent pro-
grammable calculators with their memories cleared are permitted in this test.
Instructions:
- Attempt all questions.
- The multi-choice section has 20 points associated with it, the descriptive section has
another 20 points, and the calculation section has 60 points.
- Answer ALL questions on the paper provided and show working where possible.
- Potentially useful formulas are attached at the back of the test.
Student name:
Student number:
1
Multi-choice (20 points)
Circle the correct answer(s) for each question, there may be more than one correct answer.
1.1. (2 points) A non-salient pole generator is preferred over a salient pole generator in which of the following
applications?
A. Low RPM situations like hydro turbines
B. High RPM situation like steam/gas turbines
C. When higher a number of poles are required
D. When the generator is non-synchronous
1.2. (2 points) What generator variable would you change to alter the amount of reactive power the generator
will source or sink?
A. DC excitation voltage
B. Prime mover to the turbine
C. Generator phase angle
D. Generator voltage magnitude
1.3. (2 points) If a transmission base voltage is 110kV , which of the following is 0.98 per unit?
A. 110kV
B. 112.2kV
C. 107.8kV
D. 98kV
1.4. (2 points) Which of the following equations can be used to calculate power factor?
A. cos(δ − β)
B.
P
√
C. V I sin(δ − β)
D. V I cos(δ − β)
P 2−Q2
1.5. (2 points) A shifting from an ideal transformer to a practical transformer, which of the following char-
acteristics must now be considered?
A. The windings have resistance
B. Magnetic polarity is reversed
C. Series capacitance added due to flux capacitor
D. There are real and reactive power losses in the core.
1.6. (2 points) Which of the following describes the “skin effect” which can be observed in transmission
lines?
A. For magnetic conductors, resistance depends on current magnitude
B. Resistivity changes with temperature
C. As frequency increases, current tends towards the edge of the conductor
D. It makes strands 1% or 2% longer than the actual conductor length
1.7. (2 points) Which of the following transformer configurations have a 30 degree phase shift between the
primary and secondary side?
A. Wye-∆
B. Wye-Wye
C. ∆-Wye
D. ∆-∆
1.8. (2 points) Which of the following are power system objectives?
A. Shift the power system to direct current
B. Ensure zero reactive power flowing within the network
C. Control of frequency
D. Control of the voltage profile
1.9. (2 points) Regarding transmission lines, what is meant by “transposition”?
A. Switching the position of each phase to cancel electromagnetic fields and keep lines balanced
B. It accounts for real power loss between conductors or between conductors and ground
C. Energy dissipation from hysteresis and eddy currents
D. Transposing the impedance of one phase to another
1.10. (2 points) If generators are connected in parallel, which control strategy is typically used?
A. Fuzzy Logic control
B. Isochronous control
C. PID control
D. Droop control
2
Descriptive (20)
2.1. (4 points) In a practical transformer, what is meant by “inrush current”? What problems can it cause?
2.2. (3 points) What is the purpose of transmitting power at high voltage?
Page 2

2.3. (5 points) Explain leading and lagging power factor. What causes each and its effect on the voltage
profile of a system.
2.4. (8 points) What is the function of a governor controller and automatic voltage regulator? Briefly explain
how they how/what they control.
3
Calculation (60)
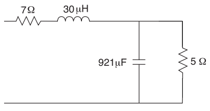
3.1. (15 points) For the circuit given in figure 1, reduce all components to a single load and express it in
polar form (magnitude and angle). You can assume the frequency is the same as the New Zealand grid.
Figure 1: RLC network
*** Space for working on next page
Page 3

Working space for question 3.1
3.2. (15 points) For the circuit shown in figure 2, the total resistance and inductance is given. Calculate:
(a) The voltage across the load
(b) The active, reactive and apparent power
Figure 2: Short transmission line
Page 4

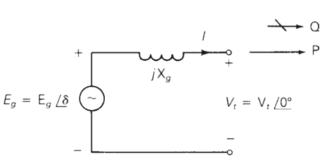
3.3. (20 points) The generator shown in figure 3 is expected to output P = 10M W and Q = 3M V A, the
grid voltage is Vt = 15kV ∠0 and the inductor has a value of Xg = 9Ω. Assuming you initially have a
generator voltage of Eg = 15.5kV .
(a) Calculate the phase angle δ required to meet the load’s active power requirement.
(b) At the generator voltage (15.5kV ) and phase angle (δ) you have calculated, will the generator’s
reactive power meet the loads requirements? If not, how much will the generators voltage (Eg)
need to increase/decrease to meet the reactive power requirement?
(c) Calculate the apparent power output of the generator and the power factor.
Figure 3: Generator
Page 5

3.4. (10 points) The 3-phase, 50Hz transformer shown in figure 4 has a delta-connected primary and wye-
connected secondary, the line voltages being 33kV and 11kV respectively. The secondary has a star
connected balanced load at 0.9 power factor lagging. The line current on the primary side is 8A.
Determine:
(a) The current in each coil of the primary and in each secondary line
(b) The output of the transformer
Figure 4: ∆ − Y transformer
END OF TEST
Page 6
Document Outline
- 12-26 Sam - Release document.pdf